CÔNG TY TNHH TM DV KỸ THUẬT ĐIỆN LẠNH KT – ĐẠI LÝ PHÂN PHỐI CẤP 1
Là đại diện chuyên cung cấp và phân phối máy nén chính hãng Panasonic
Xuất xứ:
Các loại máy nén Panasonic được sử dụng cho các kho lạnh thông dụng trữ đông nhỏ
nhiệt độ bay hơi từ -5 o C đến – 45 o C

Thông số kỹ thuật của máy : C-SBN303L8A

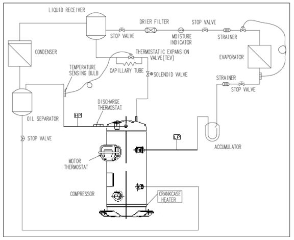
Hướng dẫn về sơ đồ nguyên lý lạnh của máy nén lạnh Panasonic cơ bản:

CÔNG TY TNHH THƯƠNG MẠI DỊCH VỤ KỸ THUẬT ĐIỆN LẠNH KT
Địa chỉ: 72/16B Ngô Tất Tố, Phường 19, Quận Bình Thạnh, TP Hồ Chí Minh
Điện thoại: 0978062901
Email: nttung@ktecvn.com

