Bình tách dầu nằm dưới máy nén:
Đây là cách bố trí an toàn nhất: Lắp bình tách dầu dưới máy nén với đường ga đẩy nghiêng về phía bình tách dầu. Điều này cho phép dầu chảy từ máy nén về lại bình tách dầu trong suốt quá trình nghỉ.
Cho máy nén đơn lẻ, đường bypass trong quá trình dừng máy nén cần được lắp đặt từ đầu vào của bính tách dầu đến đầu hút của máy nén.

Mực dầu trong bình tách dầu nằm dưới điểm phun lỏng trên máy nén:
Một cách thức vận hành đáng tin cậy được đề suất như hình dưới. Mực dầu trong bình tách dầu thấp hơn điểm phun lỏng trên máy nén để tránh ngập dầu khi việc cân bằng áp suất diễn ra. Việc này là cần thiết khi đường đẩy chạy về phía dưới để dầu hoặc môi chất lỏng không thể tích tụ ở buồng nén của máy nén.

Mức dầu trong bình tách dầu nằm trên điểm phun trên máy nén
Cách bố trí này nên được chọn trong một số trường hợp ngoại lệ và chỉ trong cách lắp đặt với máy nén đơn. Một điều kiện qua trọng để đảm bảo hoạt động của nhà máy trở nên đáng tin cậy là nâng đường phun dầu đến ngưỡng ngang với kinh xem lỏng.
Thêm vào đó, đường ga đẩy nên chạy hướng xuống

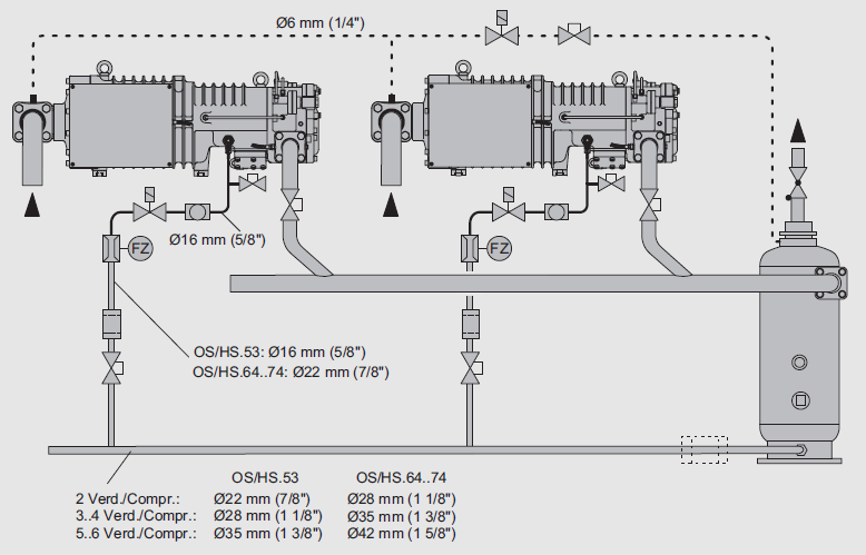
Những điểm đặc biệt cho hệ thống máy nén lắp song song
Đầu đẩy:
Thiết kế hệ thống song song cần đảm bảo đường đẩy phải hướng xuống để đảm bảo chế độ xả tự nhiên. Lắp đặt đường ống ở đầu vào đến đầu đẩy cần lệch một góc so với huớng dòng chảy.
Đầu đẩy:
Nên lắp ống đẩy nằm ngang với đường ra dẫn đến bình tách dầu. Nếu đầu vào của đường đẩy ở bình tách dầu nằm trên đường đẩy, cách bố trí ống nên được lắp theo hướng dẫn trên:

Đường ống dầu:
Lắp đường ống dầu dọc theo toàn bộ đường ống với cùng kích đường kính ống. Các nhánh dẫn đến máy nén phải đồng bộ và ngắn nhất có thể.
- Thay vì dùng phin lọc dầu riêng lẻ, việc sử dụng một phin lọc chung với kích thước phù hợp là khả thi.
- Để dễ bảo trì, cần lắp một van chặn ở đường ống vào máy nén (để giảm tổn thất áp suất van bi nên được sử dụng)
Vị trí của bộ làm mát dầu:
Bộ làm mát bằng nước:
Bất cứ khi nào có thể, cần lắp bộ làm mát dầu dưới điểm phun dầu của máy nén hoặc nâng đường ống dầu như hướng dẫn ở trên.

Bộ làm mát bằng gió:
Do chiều cao của bộ làm mát dầu nên được lắp thep cách đầu ra của dầu bên dưới kính xem lỏng của bình tách dầu và dưới điểm phun lỏng của máy nén.
Nếu đầu ra của dầu ở bộ làm mát dầu ở một vị trí cao hơn, dầu ở bộ làm mát dầu sẽ xả vào bình tách dầu trong suốt quá trình dừng. Do đó, bộ làm mát dầu có thể bị tràn. Khi máy nén khởi động dầu có thể bị cuốn theo.
Một độ chênh lệch nhỏ về mức dầu có thể chấp nhận được dựa theo cấu trúc của hệ thống. Mức dầu trong bình tách dầu phải giảm tương ứng và một đường bypass trong đường dầu để dầu cấp tới máy nén nhanh nhất trong quá trình khởi động

Với đường ống mở rộng, phụ thuộc vào mặt bằng đường ống, có khả năng dầu trong đường hút có thể chả ngược trong suốt quá trình dừng máy và máy nén bị ngập dầu.
Khi lắp đường ống gom đầu hút không phù hợp trong hệ thống song song có thể gặp những vấn đề tương tự. Trong trường hợp này việc ngập lỏng máy nén có thể xảy ra. Điều này có thể dẫn đến hư hại như đã nêu. Vì lý do này đường ống hút nên lắp đến máy nén từ phía dưới, cũng như đường đẩy.
