Lưu trữ Danh mục: Tin tức
Tin tức
PHƯƠNG PHÁP BỐ TRÍ ĐƯỜNG ỐNG CHO MÁY NÉN TRỤC VÍT
PHƯƠNG PHÁP BỐ TRÍ ĐƯỜNG ỐNG CHO MÁY NÉN TRỤC VÍT
CHỨC NĂNG CỦA BỘ ĐIỀU CHỈNH CÔNG SUẤT MÁY NÉN LẠNH
CHỨC NĂNG CỦA BỘ ĐIỀU CHỈNH CÔNG SUẤT MÁY NÉN LẠNH
ĐIỀU KHIỂN ÁP SUẤT DẦU Ở MÁY NÉN BITZER
ĐIỀU KHIỂN ÁP SUẤT DẦU Ở MÁY NÉN BITZER:
ĐIỀU KHIỂN DÀN BAY HƠI TRONG HỆ THỐNG LẠNH NHƯ THẾ NÀO
ĐIỀU KHIỂN DÀN BAY HƠI TRONG HỆ THỐNG LẠNH NHƯ THẾ NÀO
TÌM HIỂU VỀ PHÒNG SẠCH
Phòng sạch Là một trong những môi trường đòi hỏi độ khử trùng tuyệt đối...
TÌM HIỂU VỀ THỊ TRƯỜNG KHO LẠNH CÔNG NGHIỆP LỚN TẠI VIỆT NAM
Lắp đặt và sở hữu kho lạnh đang ngày được các doanh nghiệp quan tâm...
TỔNG QUAN VỀ ĐIỀU KHIỂN CÁC THIẾT BỊ TRONG HỆ THỐNG LẠNH:
Điều khiển các thiết bị trong hệ thống lạnh
PHƯƠNG PHÁP ĐIỀU KHIỂN CÔNG SUẤT MÁY NÉN LẠNH:
PHƯƠNG PHÁP ĐIỀU KHIỂN CÔNG SUẤT MÁY NÉN LẠNH:
TẠI SAO KIỂM SOÁT NHIỆT ĐỘ ĐẦU ĐẨY CỦA MÁY NÉN LẠNH LẠI QUAN TRỌNG?
TẠI SAO KIỂM SOÁT NHIỆT ĐỘ ĐẦU ĐẨY CỦA MÁY NÉN LẠNH LẠI QUAN TRỌNG?
ÁP SUẤT TRONG BUỒNG NÉN ẢNH HƯỞNG THẾ NÀO TỚI MÁY NÉN LẠNH?
ÁP SUẤT TRONG BUỒNG NÉN ẢNH HƯỞNG THẾ NÀO TỚI MÁY NÉN LẠNH?
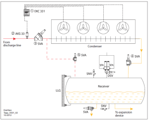
CÁC PHƯƠNG PHÁP ĐỂ ĐIỀU KHIỂN DÀN NGƯNG TỤ TRONG HỆ THỐNG LẠNH:
CÁC PHƯƠNG PHÁP ĐỂ ĐIỀU KHIỂN DÀN NGƯNG TỤ TRONG HỆ THỐNG LẠNH:
CÓ NÊN LẮP ĐẶT KHO LẠNH BẢO QUẢN NÔNG SẢN ?
Nông sản hiện nay đang rất phát triển với các sản lượng xuất khẩu ngày...
