Trong những năm gần đây, chi phí điện năng tăng cao đã kéo theo sự quan tâm đến vấn đề cải thiện hiệu quả sử dụng năng lượng trong quá trình vận hành hệ thống lạnh trong các siêu thị. Các hệ thống lạnh này tiêu thụ một lượng lớn năng lượng để làm lạnh và bảo quản các thực phẩm đông lạnh, trong khi đó hệ thống điều hòa không khí dùng để đảm bảo sự thoải mái cho người tiêu dùng. Thông thường, hệ thống lạnh siêu thị có 2 mức nhiệt độ chính: nhiệt độ trung bình để bảo quản thực phẩm tươi và nhiệt độ thấp để bảo quản thực phẩm đông lạnh. Thực phẩm tươi được duy trì từ 1 độ C đến 14 độ C, trong khi thực phẩm đông lạnh được giữ ở -12 độ C và -18 độ C. Nhiệt độ bay hơi của hệ thống nhiệt độ trung bình giao động từ -15 độ C đến 5 độ C, trong khi hệ thống nhiệt độ thấp giao động từ -30 độ C đến -40 độ C. Do nhiệt độ bay hơi ở mức khá thấp nên hệ số COP của hệ thống nhiệt độ thấp và trung bình cũng sẽ ở mức thấp. Giá trị trung bình của hệ số COP sẽ lần lượt là 1 và 2 cho các hệ thống này.
Hệ thống lạnh của siêu thị thường bao gồm hệ thống chiller làm lạnh bằng nước hoặc gió, tháp giải nhiệt, bơm và các AHU. Nhiệt độ nước cấp thường ở 6.7 độ C và nhiệt độ bay hơi của hệ thống chiller thường dao động từ 0 đến 6 độ C. Giá trị COP của toàn hệ thống thường nằm trong khoản 3-4.5. Để tiết kiệm năng lượng trong siêu thị, việc thiết kế năng lượng hiệu quả và tối ưu hóa điều khiển hệ thống HVAC và hệ thống lạnh là hai phương pháp chính. Việc thiết kế năng lượng hiệu quả bao gồm việc sử dụng dàn ngưng dạng bay hơi để giảm thiểu lượng điện tiêu thụ, ứng dụng thu hồi nhiệt, thả nổi áp suất ngưng tụ, sử dụng bộ quá lạnh cho hệ thống nhiệt độ thấp v.v. Các bộ quá lạnh là các thiết bị trao đổi nhiệt sử dụng hiệu ứng làm lạnh từ hệ thống nhiệt độ trung bình để quá lạnh cho hệ thống nhiệt độ thấp, đây là một phương pháp có hiệu suất cao do hệ thống nhiệt độ trung bình có hệ số COP cao hơn hệ thống nhiệt độ thấp.Việc tối ưu hệ thống HVAC và hệ thống lạnh có thể thực hiện bằng cách sử dụng bộ biến tần ở máy nén, bơm, quạt với một hệ thống điều khiển được tối ưu hóa thay vì chế độ on/off thông thường hoặc có thể phát triển phương pháp điều khiển riêng cho hệ thống lạnh.
Một xu hướng mới hiện nay là mối quan tâm về những nghiên cứu nhằm tích hợp hệ thống điều hòa không khí và hệ thống lạnh của siêu thị. Ví dụ ở những kệ trưng bày lạnh thường hoạt động tốt hơn với điều kiện độ ẩm tương đối thấp (40-45%). Việc tách ẩm thường đi kèm với hệ thống điều hòa không khí bằng cách gia tăng kích cỡ dàn coil và gia nhiệt gió cấp, đây là một cách làm không hiệu quả về năng lượng. Để bù đắp lại những bất lợi này, hệ thống điều hòa không khí kết hợp với tách ẩm bằng hóa chất đã được nghiên cứu trong thời gian gần đây. Thêm vào đó, lượng nhiệt năng thải ra từ hệ thống lạnh có thể được thu hồi để gia nhiệt gió tươi hoặc nguồn nước cấp bằng cách kết hợp với hệ thống bơm nhiệt. Thông thường, hệ thống điều hòa không khí có hệ số COP cao có thể cung cấp một phần nước lạnh để làm mát dàn ngưng tụ ở những hệ thống làm lạnh. Khi nhiệt độ môi chất làm mát dao động từ 12 độ C đến 6 độ C, nhiệt độ ngưng tụ của hệ thống lạnh giảm xuống đến khoản 20 độ C, điều này giúp giảm lượng điện năng tiêu thụ của máy nén. Ngoài ra, một phần nước lạnh có thể được sử dụng để quá lạnh cho môi chất lạnh lỏng của hệ thống làm lạnh có hệ số COP thấp. Hệ thống siêu thị sẽ có ba mức nhiệt độ khác nhau, phương án tích hợp bộ quá lạnh có thể sử dụng tối đa ba bộ quá lạnh. Cụ thể là bộ quá lạnh được lắp giữa hệ thống nhiệt độ thấp- nhiệt độ trung bình, giữa hệ thống nhiệt độ cao- nhiệt độ trung bình, và giữa hệ thống nhiệt độ cao- nhiệt độ thấp. Ba bộ quá lạnh này có thể hoạt động độc lập hoặc kết hợp để dung hòa các chi phí vận hành và sản xuất. Thêm vào đó, tác dụng quá lạnh từ hệ thống điều hòa không khí có thể bù trừ tải đỉnh của hệ thống làm lạnh với mục đích giảm chi phí nhờ vào việc giảm kích cỡ cụm máy nén và dàn ngưng.

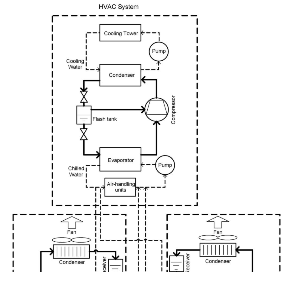
Hình 1 là một ví dụ điển hình của hệ thống điều hòa không khí và hệ thống lạnh. Hệ thống điều hòa không khí bao gồm 1 chiller máy nén trục vít, nước làm mát sau khi rời dàn ngưng sẽ được bơm về tháp giải nhiệt đặt trên mái của siêu thị. Ở khu vực nước tuần hoàn quanh dàn lạnh, nước lạnh rời dàn lạnh được bơm đến các AHU và quay ngược lại dàn lạnh. Hệ thống làm lạnh sử dụng dàn lạnh trao đổi nhiệt với không khí và van tiết lưu, những dàn lạnh này cũng được sử dụng trong các kệ trưng bày và kho lạnh nhỏ. Máy nén và dàn ngưng được đặt trong phòng máy được điều khiển từ xa nằm ở phía sau hay trên mái siêu thị. Các đường ống dẫn được thiết kế để cấp và hồi môi chất làm lạnh. Bình chứa lỏng trong hệ thống thường được phục vụ cho chức năng pump-down khi cần bảo trì sửa chữa. Cả hai hệ thống làm lạnh bao gồm các cụm máy nén hoạt động ở điều kiện nhiệt độ hút bão hòa riêng với đường ống hút và đẩy chung.
Đối với những bộ quá lạnh giữa hệ thống nhiệt độ trung bình và thấp, một phần môi chất lạnh của hệ thống nhiệt độ trung bình sẽ đi qua những bộ quá lạnh thay vì dàn bay hơi, từ đó một phần công suất làm lạnh được sử dụng bởi hệ thống nhiệt độ thấp mà không đi vào các ngăn của hệ thống nhiệt độ trung bình. Do hệ thống nhiệt độ trung bình sẽ tiêu thụ lượng điện năng ít hơn hệ thống nhiệt độ thấp để tạo ra cùng một công suất lạnh tương đương, tổng lượng điện năng tiêu thụ sẽ giảm bằng cách sử dụng thêm các bộ quá lạnh.
Đối với bộ quá lạnh giữa hệ thống điều hòa không khí và hệ thống lạnh nhiệt độ thấp hoặc nhiệt độ trung bình, một phần nước lạnh sẽ chảy từ hệ thống điều hòa không khí qua bộ quá lạnh thay vì các cụm AHU. Từ đó một phần công suất lạnh của hệ thống điều hòa không khí sẽ được sử dụng bởi hệ thống lạnh mà không tác động tới không gian làm lạnh trong tòa nhà. Do hệ thống HVAC có hệ số COP cao nhất trong ba hệ thống nên tổng lượng điện năng tiêu thụ sẽ giảm xuống nhờ vào việc lắp đặt các bộ quá lạnh.
Nhìn chung, việc ứng dụng một hay nhiều bộ quá lạnh trong hệ thống điều hòa không khí và hệ thống lạnh siêu thị có thể giảm điện năng tiêu thụ. Tuy nhiên, tiềm năng tiết kiệm năng lượng sẽ thay đổi ra sao với những cách kết hợp các bộ quá lạnh khác nhau. Để giải đáp câu hỏi này, các cách kết hợp khác nhau đã được tính toán thực nghiệm bởi các nhà nghiên cứu, việc phân tích đã chỉ ra rằng ở những siêu thị có nhu cầu năng lượng cho hệ thống điều hòa không khí ở mức thấp (ví dụ hệ thống điều hòa không khí và hệ thống lạnh hai cấp có cùng mức tải), việc thêm một bình quá lạnh giữa hệ thống nhiệt độ trung bình và thấp có thể giúp tiết kiệm điện năng đến 10,5%. Bình quá lạnh giữa hệ thống nhiệt độ cao và trung bình có thể giảm thêm 3,7% và một bình quá lạnh giữa hệ thống nhiệt độ cao và thấp có thể tiết kiệm 1,4%. Tuy nhiên với những hệ thống siêu thị có nhu cầu điều hòa không khí cao (ví dụ tải điều hòa không khí lớn gấp 10 lần hệ thống lạnh) sẽ giảm tỷ lệ của những thông số này xuống tương ứng với 4,4%, 1,5% và 0,6%.
